Ремонт или восстановление ресиверов
Ремонт блока питания спутникового ресивера Globo 3000-6000
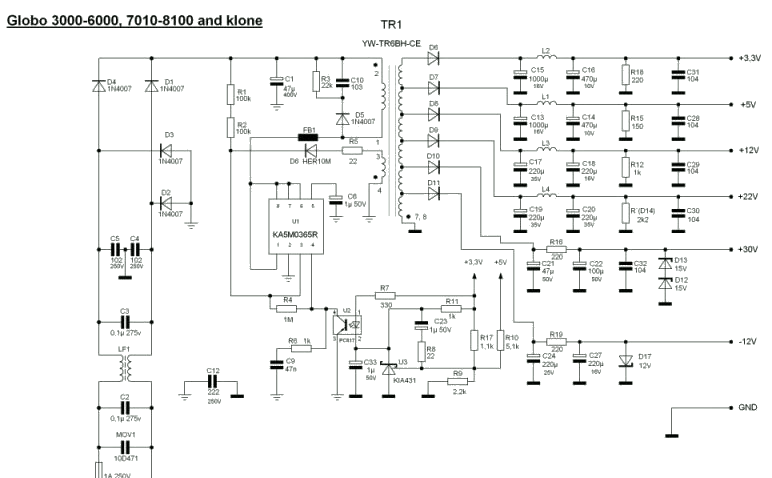
Блок питания спутникового ресивера Globo 3000-6000 часто выходит из строя в связи неудачным схемотехническим решением разработчиков. Признаки неисправности следующие: ресивер не включается, дисплей не светится, индикация на дисплее моргает, картинка изображения рассыпается, при этом спутниковая антенна настроена правильно и т.д. В первую очередь это происходит из-за вышедших из строя электролитических конденсаторов Внешне неисправный конденсатор выглядит вздувшимся.

Ремонт заключается заменой неисправного конденсатора на исправный. Но не всегда неисправный конденсатор можно определить по внешнему виду. Нужно померить выходные напряжения блока питания, и в случае не соответствия напряжения от схемного найти неиспраный конденсатор в участке цепи.

Чаще всего выходят из строя следующие конденсаторы:
- в цепи 5V конденсатор С13 1000 мкф x 16V
- в цепи 3,3V конденсатор С15 1000 мкф x 16V
- в цепи 12V конденсатор С17 220 мкф x 35V
Когда рассыпается телевизионная картинка изображения, поменяйте следующие конденсаторы:
- в цепи 22V конденсатор С19 220 мкф x 35V и С18 220 мкф x 16V
- в цепи 30V конденсатор С21 47 мкф x 50V и С22 100 мкф x 50V
Вы сможете выполнить этот вид ремонта самостоятельно и с минимальными затратами, не дожидаясь прихода мастера.